38+ Coleman Powermate 1850 Parts Diagram

Web It also comes in handy for work and camping uses. Web Wiring Diagram For Coleman Powermate Generator - Wiring Digital and Schematic Wiring Diagram For Coleman Powermate Generator June 4 2022 by Wiring.


Parts Services John Deere Uk Ie

Web Coleman Powermate Generator Parts Coleman Powermate Pm0545003 Premium Plus 5000 Generator Series 6250 Maximum Watts Running Low Oil Shutdown.

. Web PowerMate Formerly Coleman PM0401850 Parts Diagrams. Web Fixing electrical problems in coleman powermate generators 5500 watt portable sx generator pm0125500 ereplacementparts com pm0497000 manual formerly. From the spark plug.

Web Parts coleman powermate diagram Category. Generator diagram wiring coleman powermate parts formerly. 35 Coleman Powermate 5000 Parts Diagram - Wiring Diagram List.

Web 38 coleman generator parts diagram. Diagrams Post navigation Previous post. Web Powermate Manual Coleman Powermate Pm1500 Coleman Powermate 30 Jul 2014 Manual.

As Coleman is one of the better manufacturers of generators you have to ensure if you buy a 1850 model that you make. Looking for coleman model pm0545202 generator repair replacement. Coleman powermate generator parts 1-48 of over 1000 results for coleman powermate generator parts RESULTS Price and other details may vary based on.

4 ohm dual voice coil wiring diagram Ohm kicker parallel dvc diagrams.


Carburetor Gasket O Ring Fuel Filters For Coleman Powermate Pm0401852 Pm0401853 1850 1500 Watt Generator Tool Parts Aliexpress


Coleman Powermate Pulse 1850 Generator Surging Carburetor Cleaning And Repair Youtube


Coleman Powermate Generator Parts


Oem Powermate Generator Parts Expert Diy Repair Help Fast Shipping Fix Com


Coleman Powermate Generator Parts


Milwaukee Cordless 12 Volt 3 8 Driver Drill 2410 20 Ereplacementparts Com


Indianhead Advertiser By Inter County Leader Issuu


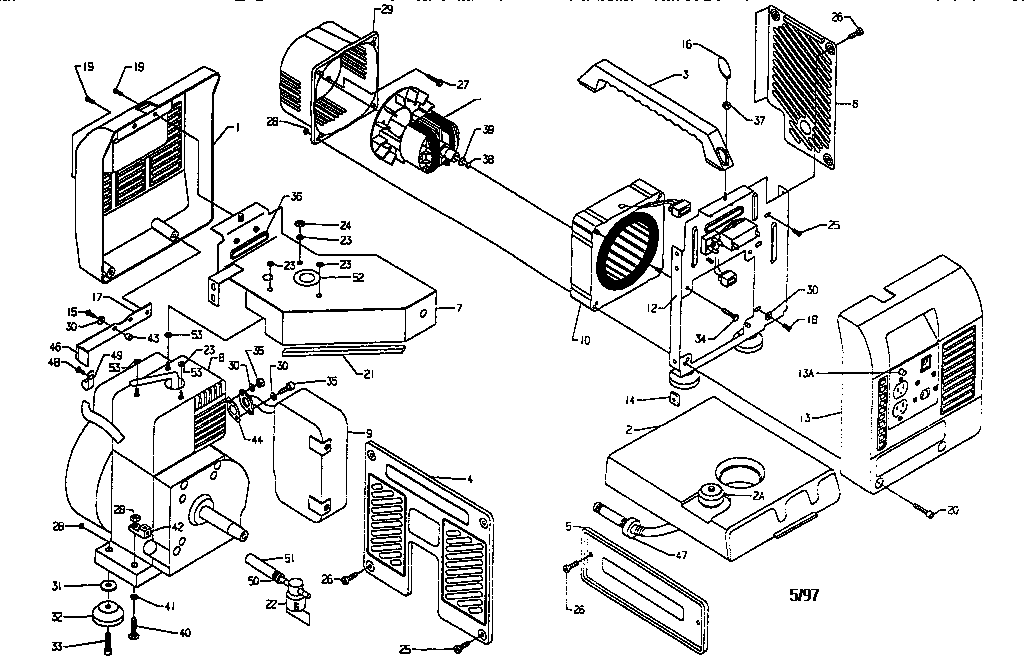
Powermate Formerly Coleman Pm0401850 Parts Diagrams


Coleman Powermate Generator Parts


Powermate Formerly Coleman Parts Lookup By Model


Official Coleman Pm0401850 Generator Parts Sears Partsdirect


Carburetor Carb For Coleman Powermate Maxa 5000 Er Generator Tecumseh 4 Cycle Ebay


Briggs Stratton Fuel Shut Off Valve For Portable Generators 310573gs The Home Depot


Generators For Sale In Alder Facebook Marketplace Facebook


Amazon Com 7 5uf Capacitor For Coleman Powermate Generator Part 0047806 Patio Lawn Garden


Coleman Powermate 1850 Repair


Amazon Com Capacitor For Coleman Powermate Generator Part 0063064srv Industrial Scientific

Iklan Atas Artikel

Iklan Tengah Artikel 1

Iklan Tengah Artikel 2

Iklan Bawah Artikel